Zunanja stružna držala SVVCN – nevtralna izvedba, SVVCN_EXT

Skupna šifra: SVVCN_EXT
Želite sočasno naročiti več izdelkov? Pojdi na hiter vnos
Prijavite se za prikaz cen in zalog.

Vas zanimajo pogoji dostave?

Podrobnosti o izdelku
Specifikacije
Dokumentacija
Pišite nam za dodatne informacije

Zunanja stružna držala SVVCN – nevtralna izvedba za precizno obdelavo z rezalnimi ploščicami

Stružna držala SVVCN predstavljajo nevtralno izvedbo orodja za zunanjo obdelavo z uporabo rezalnih ploščic. Zaradi kompaktne geometrije in ožjega kota ploščic so idealna za natančno obdelavo kompleksnih kontur, ozkih rež, ramen in notranjih prehodov.

Nevtralna oblika (SVVCN) omogoča obojestransko uporabo – za desno in levo smer obdelave, kar povečuje prilagodljivost v delovnem procesu in zmanjšuje potrebo po menjavi orodja. Kombinacija robustne konstrukcije in zanesljivega vpenjanja rezalne ploščice zagotavlja visoko togost in natančnost tudi pri večjih obremenitvah.

Glavne prednosti:
– Nevtralna izvedba za univerzalno uporabo
– Kompatibilnost z rezalnimi ploščicami: 
         – SVVCN ···-11 → VCET 1103 ali VCGT 1103
– Ozka rezalna geometrija za težje dostopna mesta
– Visoka stabilnost in odpornost proti vibracijam
– Primerna za fino in polfino obdelavo

Uporaba:
Odlično za precizno struženje jekla, nerjavnega jekla, litin in barvnih kovin. Pogosto uporabljena v orodjarstvu, finomehaniki in CNC proizvodnji, kjer je zahtevana visoka natančnost in prilagodljivost.

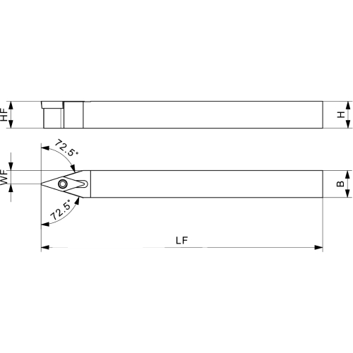
Specifikacije
Lastnost Vrednost
H 10, 12, 16
B 10, 12, 16
HF 10, 12, 16
LF 120
WF 5, 6, 8
Izvedba Nevtralna
Znamka Achteck

Izberite različico

WF:
H:
B:
HF:
Slika Šifra Naziv WF H B HF
80064380 SVVCN 1010JX-11 5 10 10 10
80064381 SVVCN 1212JX-11 6 12 12 12
80064382 SVVCN 1616JX-11 8 16 16 16
Zadnji ogledani izdelki
Šifra izdelka: 7100217397

8333111, POLNILEC ZA BATERIJE ADFLO LI-IONV2

Šifra izdelka: 51768

Sveder spiralni VHM 40xD IK SUPER V-T AlTiN

Šifra izdelka: 297984

Element vpenjalni ekscentrični utorni v paru 297984 Slika za proizvajalca IBT

Šifra izdelka: 508/1BI_Unior

Klešče telefonske, ravne, 508/1BI, Unior

Šifra izdelka: CHV-130V

PRIMEŽ MEHANSKO-HIDRAULIČNI SAFEWAY CHV-130V

Šifra izdelka: 392507 0010

Lupa namizna s LED svetilko magnetnim podstavkom 392507 Slika za proizvajalca BAUER & BOECKER