Zunanja stružna držala SVVBN – nevtralna izvedba, SVVBN_EXT

Skupna šifra: SVVBN_EXT
Želite sočasno naročiti več izdelkov? Pojdi na hiter vnos
Prijavite se za prikaz cen in zalog.

Vas zanimajo pogoji dostave?

Podrobnosti o izdelku
Specifikacije
Dokumentacija
Pišite nam za dodatne informacije

Zunanja stružna držala SVVBN – nevtralna izvedba za natančno struženje z rezalnimi ploščicami 

Stružna držala SVVBN so nevtralna držala za zunanjo obdelavo, primerna za uporabo z rezalnimi ploščicami. Zaradi simetrične zasnove omogočajo obojestransko uporabo – tako za levo kot desno obdelavo, kar povečuje prilagodljivost in učinkovitost v proizvodnji.

Držala SVVBN se pogosto uporabljajo pri natančni obdelavi ram, kontur in ozkih prehodov, kjer je potrebna ostra rezalna geometrija in kompakten vstopni kot. Zaradi trdne konstrukcije zagotavljajo visoko stabilnost ter zmanjšujejo vibracije med obdelavo.

Glavne prednosti:
– Nevtralna zasnova za univerzalno uporabo
– Kompatibilna z rezalnimi ploščicami:
           – SVVBN ···-11 → VBET 1103 ali VBGT 1103
– Idealna za obdelavo ram, utorov in kontur
– Visoka togost in natančnost
– Primerna za fino in srednje grobo obdelavo

Uporaba:
Odlična rešitev za struženje jekla, nerjavnega jekla, litin in neželeznih kovin. Uporabna v avtomobilski industriji, orodjarstvu in pri izdelavi preciznih kovinskih komponent na CNC stružnicah.

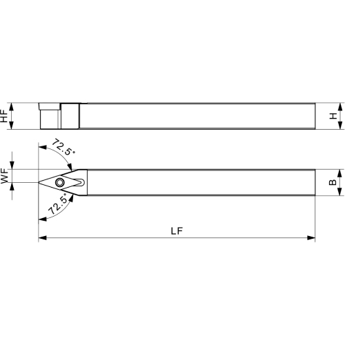
Specifikacije
Lastnost Vrednost
H 10, 12, 16, 20
B 10, 12, 16, 20
HF 10, 12, 16, 20
LF 120, 125
WF 5, 6, 8, 10
Izvedba Nevtralna
Znamka Achteck

Izberite različico

WF:
LF:
H:
B:
HF:
Slika Šifra Naziv WF LF H B HF
80064374 SVVBN 1010JX-11 5 120 10 10 10
80064375 SVVBN 1212JX-11 6 120 12 12 12
80064376 SVVBN 1616JX-11 8 120 16 16 16
80064377 SVVBN 2020K-11 10 125 20 20 20
Zadnji ogledani izdelki
Šifra izdelka: 90004700_N_3

Metla za industrijske dvorane s kovinskim nastavkom, žima

Šifra izdelka: 370960

LIbela strojna DIN877 natančnosti 370960 Slika za proizvajalca RÖCKLE

Šifra izdelka: 2292271

Arbeitsplatzmatte Yoga Grid 50x50 cm, schwarz (VE=4 Stück)

Šifra izdelka: 621555

KLEŠČE GRIP ZA KABELSKE KONTAKTE 0