Zunanja stružna držala SVPP – stopničasta izvedba

Skupna šifra: SVPPR/L_EXT
Želite sočasno naročiti več izdelkov? Pojdi na hiter vnos
Prijavite se za prikaz cen in zalog.

Vas zanimajo pogoji dostave?

Podrobnosti o izdelku
Specifikacije
Dokumentacija
Pišite nam za dodatne informacije

Zunanja stružna držala SVPP – stopničasta izvedba za zahtevno obdelavo z rezalnimi ploščicami

Stružna držala SVPP v stopničasti izvedbi so zasnovana za natančno in stabilno zunanje vzdolžno ali čelno struženje, kjer je dostop do obdelovanca omejen ali kjer je potrebna posebna razporeditev rezalne ploščice. 

Stopničasta oblika držala omogoča zamaknjen položaj vpetja, kar izboljša ergonomijo orodja ter poveča preglednost in učinkovitost pri obdelavi kompleksnih kontur, ram in kotov. Konstrukcija držala zagotavlja visoko togost ter zanesljivo vpetje rezalne ploščice tudi pri večjih obremenitvah.

Glavne prednosti:
– Stopničasta izvedba za večjo dostopnost in fleksibilnost
– Idealen za struženje ozkih ram, kontur in prehodov
– Povečana preglednost nad rezalno cono
– Zanesljiva stabilnost in dolga življenjska doba

Uporaba:
Primerno za obdelavo jekla, litin, nerjavnega jekla in neželeznih kovin v zahtevnih proizvodnih pogojih. Pogosta izbira v orodjarstvu, CNC proizvodnji in avtomobilski industriji, kjer je ključna natančnost in prilagodljivost.

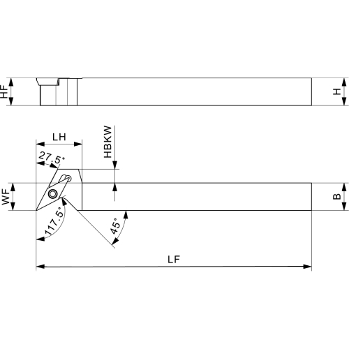
Specifikacije
Lastnost Vrednost
H 10, 12, 16
B 10, 12, 16
HF 10, 12, 16
LF 120
LH 16, 20
WF 10, 12, 16
HBKW 4, 2, 8, 6
Izvedba Leva, Desna
Znamka Achteck

Izberite različico

Izvedba:
WF:
H:
B:
HF:
LH:
HBKW:
Slika Šifra Naziv Izvedba WF H B HF LH HBKW
80064361 SVPPR 1010JX-08F Desna 10 10 10 10 16 4
80064362 SVPPL 1010JX-08F Leva 10 10 10 10 16 4
80064363 SVPPR 1212JX-08F Desna 12 12 12 12 16 2
80064364 SVPPL 1212JX-08F Leva 12 12 12 12 16 2
80064366 SVPPR 1616JX-08F Desna 16 16 16 16 20 /
80064367 SVPPL 1616JX-08F Leva 16 16 16 16 20 /
80064368 SVPPR 1010JX-11F Desna 10 10 10 10 20 8
80064369 SVPPL 1010JX-11F Leva 10 10 10 10 20 8
80064371 SVPPL 1212JX-11F Leva 12 12 12 12 20 6
80064373 SVPPL 1616JX-11F Leva 16 16 16 16 20 2
Zadnji ogledani izdelki
Šifra izdelka: SDGT_MR6

Rezkalne ploščice SDGT MR6

Šifra izdelka: 613158840

BATERIJSKI UDARNI VRTALNIK SB 18 L BL Q

Šifra izdelka: 612206

RAGLJA DVOSMERNA 1/2", IZOLIRANA 1/2"

Šifra izdelka: 1424705

Dleto z lesenim ročajem, PROMAT

Šifra izdelka: 4000810345

Needle-nose pliers straight

Šifra izdelka: 4000871914

UNIVERZALNA DELOVNA TORBA S 27-DELNO GARNITURO ORODJA; PROMAT