Zunanja stružna držala SVPB – z zamikom, SVPBR/L_OFFSET_EXT

Skupna šifra: SVPBR/L_OFFSET_EXT
Želite sočasno naročiti več izdelkov? Pojdi na hiter vnos
Prijavite se za prikaz cen in zalog.

Vas zanimajo pogoji dostave?

Podrobnosti o izdelku
Specifikacije
Dokumentacija
Pišite nam za dodatne informacije

Zunanja stružna držala SVPBR/L_OFFSET – zanesljiva obdelava s ploščicami in zamaknjenim vpetjem

Stružna držala SVPBR/L so zasnovana za zunanje vzdolžno in čelno struženje z uporabo rezalnih ploščic. Zaradi svoje izvedbe z zamikom omogočajo boljšo odmaknjenost rezalne ploščice od osi držala, kar izboljšuje dostopnost in učinkovitost pri obdelavi nerodnih ali težko dostopnih področij.

Zamik (offset) zagotavlja večjo fleksibilnost v obdelovalnem procesu ter boljšo vidljivost rezalne cone, še posebej pri kompleksnih konturah in prehodih. Na voljo so v desni (SVPBR) in levi (SVPBL) izvedbi, za različne stroje in dimenzije vpetja.

Glavne prednosti:
– Združljivo z rezalnimi ploščicami: 
           – SVPBR/L···-11 → VBET 1103 ali VBGT 1103
– Zamik rezalne ploščice za boljši dostop in fleksibilnost
– Idealno za zapletene oblike in omejene prostore
– Visoka togost držala za stabilno in natančno obdelavo
– Na voljo v desni in levi izvedbi

Uporaba:
Primerno za zahtevnejše stružne naloge, kjer je potrebna kombinacija natančnosti, dostopnosti in stabilnosti. Uporablja se pri obdelavi jekla, nerjavnega jekla, litin in neželeznih kovin – zlasti v orodjarstvu, avtomobilski industriji in serijski proizvodnji.

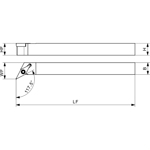
Specifikacije
Lastnost Vrednost
H 10, 12, 16, 20
B 10, 12, 16, 20
HF 10, 12, 16, 20
LF 120, 125
WF 14.5, 16.5, 20.5, 25
Izvedba Leva, Desna
Znamka Achteck

Izberite različico

Izvedba:
WF:
LF:
H:
B:
HF:
Slika Šifra Naziv Izvedba WF LF H B HF
80064462 SVPBR 1010JX-11 Desna 14.5 120 10 10 10
80064463 SVPBL 1010JX-11 Leva 14.5 120 10 10 10
80064465 SVPBR 1212JX-11 Desna 16.5 120 12 12 12
80064466 SVPBL 1212JX-11 Leva 16.5 120 12 12 12
80064467 SVPBR 1616JX-11 Desna 20.5 120 16 16 16
80064468 SVPBL 1616JX-11 Leva 20.5 120 16 16 16
80064469 SVPBR 2020K-11 Desna 25 125 20 20 20
80064470 SVPBL 2020K-11 Leva 25 125 20 20 20
Zadnji ogledani izdelki
Šifra izdelka: 1000152535

Spare mirror

Šifra izdelka: 602205650

BATERIJSKI UDARNI VIJAČNIK SSW 18 LTX 400 BL

Šifra izdelka: 1CHAC

REZKAR PALIČNI 1CHAC

Šifra izdelka: 2805

TEGERA 2805 Slika za proizvajalca TEGERA®

Šifra izdelka: ACD 503-CH

Ploščice za zarezovanje in odrez ACD 503-CH