Zunanja stružna držala STGC/STGP – z zamikom, STGC/STGP_OFFSET_EXT

Skupna šifra: STGC/STGP_OFFSET_EXT
Želite sočasno naročiti več izdelkov? Pojdi na hiter vnos
Prijavite se za prikaz cen in zalog.

Vas zanimajo pogoji dostave?

Podrobnosti o izdelku
Specifikacije
Dokumentacija
Pišite nam za dodatne informacije

Zunanja stružna držala STGC/STGP z zamikom – natančno utorno in odrezovalno struženje

Stružna držala STGC in STGP z zamikom so specializirana orodja za utorno in odrezovalno obdelavo, pri čemer zamik rezalne osi omogoča boljšo dostopnost do obdelovanca ter učinkovitejše delovanje pri kompleksnih geometrijah ali bližini ramen.

Izvedbi STGC_OFFSET in STGP_OFFSET sta združljivi z ploščicami za utore in odrezovanje, pri čemer ponujata robustno vpetje, stabilnost in natančnost tudi pri večjih obremenitvah. Namenjena sta uporabi na CNC in klasičnih stružnih strojih, v proizvodnih procesih, kjer je zanesljivost ključnega pomena.

Glavne prednosti:
– Zamik za izboljšan dostop in pozicioniranje
– Primerna za utore in odrezovanje
– Visoka togost in zanesljivost pri dolgotrajni obdelavi
– Združljivost s standardnimi ploščicami: 
– STGCR 0808F-08 → TCET 0802
– STGPR 0808F-08 → TPEH 0802
– STGC··· -11 → TCET 1103
– STGP··· -11 → TPEH 1103

Uporaba:
Idealno za avtomobilsko industrijo, serijsko proizvodnjo in aplikacije, kjer je potrebna visoka preciznost pri utorih in ločitvah materiala. Primerna za obdelavo jekla, nerjavnega jekla, litin in drugih tehničnih materialov.

Specifikacije
Lastnost Vrednost
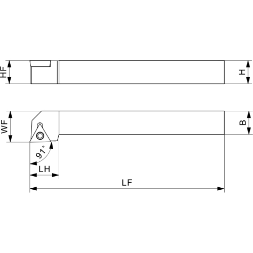
H 10, 12, 16, 8
B 10, 12, 16, 8
HF 10, 12, 16, 8
LF 80, 100
LH 15, 12
WF 14, 16, 20, 10
Izvedba Leva, Desna
Znamka Achteck

Izberite različico

Izvedba:
WF:
LF:
H:
B:
HF:
LH:
Slika Šifra Naziv Izvedba WF LF H B HF LH
80064439 STGCR 0808F-08 Desna 10 80 8 8 8 12
80064442 STGCR 1010F-11 Desna 14 80 10 10 10 15
80064443 STGCL 1010F-11 Leva 14 80 10 10 10 15
80064444 STGCR 1212H-11 Desna 16 100 12 12 12 15
80064445 STGCL 1212H-11 Leva 16 100 12 12 12 15
80064446 STGCR 1616H-11 Desna 20 100 16 16 16 15
80064447 STGCL 1616H-11 Leva 20 100 16 16 16 15
80064448 STGPR 0808F-08 Desna 10 80 8 8 8 12
80064450 STGPR 1010F-11 Desna 14 80 10 10 10 15
80064451 STGPL 1010F-11 Leva 14 80 10 10 10 15
Zadnji ogledani izdelki
Šifra izdelka: 601714930

BATERIJSKO KLADIVO KH 18 LTX BL 24 Q SET ISA

Šifra izdelka: 3423023

Eazycare Style 80x120cm, Deeper Navy

Šifra izdelka: 627TBI_Unior

Izvijač ploščati TBI, kratek, 627TBI, Unior

Šifra izdelka: 6301

STOJALO ZA MIKROMETRE (do 100mm)

Šifra izdelka: VSM490-15_Cylindrical

Rezkar palični cilindrični VSM490-15, Widia