Zunanja stružna držala SDNC – nevtralna izvedba, SDNCN_EXT

Skupna šifra: SDNCN_EXT
Želite sočasno naročiti več izdelkov? Pojdi na hiter vnos
Prijavite se za prikaz cen in zalog.

Vas zanimajo pogoji dostave?

Podrobnosti o izdelku
Specifikacije
Dokumentacija
Pišite nam za dodatne informacije

Zunanja stružna držala SDNCN – nevtralna izvedba za univerzalno uporabo

Držala SDNCN so robustna zunanja stružna držala v nevtralni izvedbi, namenjena za uporabo z diamantnimi rezalnimi ploščicami. Zaradi nevtralne geometrije (SDNCN) so primerna tako za desno kot levo smer obdelave, kar povečuje fleksibilnost v proizvodnji in zmanjšuje potrebo po menjavi orodja.

Negativen kot vpenjanja rezalne ploščice zagotavlja visoko stabilnost, odpornost na vibracije ter omogoča zanesljivo obdelavo tudi pri večjih odvzemih materiala. Držala so na voljo v različnih velikostih in dolžinah, primerna za širok spekter stružnih strojev.

Glavne prednosti:
– Nevtralna izvedba za obojestransko obdelavo
– Kompatibilnost z rezalnimi ploščicami:
          – SDNCN ···-07 → DCET 0702 ali DCGT 0702
          – SDNCN ···-11 → DCET 11T3 ali DCGT 11T3
– Visoka togost in odpornost proti vibracijam
– Uporabno za različne smeri in pozicije obdelave

Uporaba:
Primerno za klasično in CNC struženje jekla, litin, inoxa ter neželeznih kovin. Idealna rešitev za univerzalno uporabo v različnih aplikacijah, kjer je potrebna menjava smeri obdelave brez zamenjave orodja.

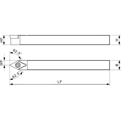
Specifikacije
Lastnost Vrednost
H 8, 10, 12, 16
B 8, 10, 12, 16
HF 8, 10, 12, 16
LF 80, 120, 100
WF 4, 5, 6, 8
Izvedba Nevtralna
Znamka Achteck

Izberite različico

WF:
LF:
H:
B:
HF:
Slika Šifra Naziv WF LF H B HF
80064307 SDNCN 0808F-07 4 80 8 8 8
80064308 SDNCN 1010JX-07 5 120 10 10 10
80064309 SDNCN 1212JX-07 6 120 12 12 12
80064310 SDNCN 1010F-11 5 80 10 10 10
80064311 SDNCN 1010JX-11 5 120 10 10 10
80064312 SDNCN 1212F-11 6 80 12 12 12
80064313 SDNCN 1212JX-11 6 120 12 12 12
80064314 SDNCN 1616H-11 8 100 16 16 16
80064315 SDNCN 1616JX-11 8 120 16 16 16
Zadnji ogledani izdelki
Šifra izdelka: 511530

Nastavek vijačni 1/4" 511530 Slika za proizvajalca PROJAHN

Šifra izdelka: 2DDC

REZKAR PALIČNI 2DDC

Šifra izdelka: 01237654

PL.ODREZILNA A3,0mm MGMN300-M KT8296

Šifra izdelka: 497450 133

List rezervni za ročno žago 497450 Slika za proizvajalca Precitool

Šifra izdelka: 600103000

BRUSILNIK Z DOLGIM VRATOM LSV 5-225