Ploščice za zarezovanje in odrez ATG

Skupna šifra: ATG 32_R005-R020_43_R010-R040_R/L
Želite sočasno naročiti več izdelkov? Pojdi na hiter vnos
Prijavite se za prikaz cen in zalog.

Vas zanimajo pogoji dostave?

Podrobnosti o izdelku
Specifikacije
Dokumentacija
Pišite nam za dodatne informacije

Ploščice za zarezovanje in odrez Achteck ATG

Ploščice serije ATG so zasnovane za učinkovito zarezovanje in odrezovanje pri notranjih in zunanjih aplikacijah. Njihova natančna geometrija omogoča zanesljivo in čisto obdelavo tudi pri manjših dimenzijah utorov.

Lastnosti:
- Serija: ATG (Shallow Grooving Series)
- Primerne za notranje in zunanje zarezovanje
- Na voljo v različnih širinah in radijih
- Precizno oblikovan rezilni rob za minimalne deformacije
- Odlična odpornost proti obrabi pri visokih hitrostih
- Združljive z držali tipa ATGIR/L in drugimi Achteck sistemi

Uporaba:
- Za notranje in zunanje utore na stružnicah
- Uporabne pri jeklu, nerjavnem jeklu, aluminiju in zlitinah
- Idealne za aplikacije, kjer je zahtevana nizka globina reza in visoka ponovljivost

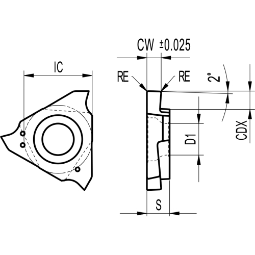
Specifikacije
Lastnost Vrednost
Akcija DA
f mm rev 0.03-0.08, 0.04-0.09, 0.05-0.10, 0.05-0.12
CDX 0.8, 1.2, 2.0, 2.5, 3.0, 3.5, 5.0
CW 0.33, 0.50, 0.75, 0.95, 1.00, 1.10, 1.20, 1.25, 1.30, 1.40, 1.45, 1.50, 1.60, 1.70, 1.75, 2.00, 2.25, 2.50, 3.00, 1.85, 1.95, 2.30, 2.65, 2.80, 3.50, 3.30, 4.00, 4.30, 4.50
RE 0.05, 0.20, 0.10, 0.30, 0.40
IC 9.525, 12.7
S 3.18, 4.76
D1 4.4, 5.5
Oznaka ATG
Izvedba Desna, Leva
Kvaliteta AP301U
ISO oznaka materiala P, M, K
Znamka Achteck

Izberite različico

Izvedba:
CDX:
CW:
RE:
S:
D1:
f mm rev:
ISO oznaka materiala:
IC:
Slika Šifra Naziv Izvedba CDX CW RE S D1 f mm rev ISO oznaka materiala IC
%
80058787 ATG 32R033T08-R005 AP301U Desna 0.8 0.33 0.05 3.18 4.4 0.03-0.08 P, M, K 9.525
%
80058788 ATG 32R050T12-R005 AP301U Desna 1.2 0.50 0.05 3.18 4.4 0.03-0.08 P, M, K 9.525
%
80058789 ATG 32R075T20-R005 AP301U Desna 2.0 0.75 0.05 3.18 4.4 0.03-0.08 P, M, K 9.525
%
80058790 ATG 32R095T20-R005 AP301U Desna 2.0 0.95 0.05 3.18 4.4 0.03-0.08 P, M, K 9.525
%
80058791 ATG 32R100T20-R005 AP301U Desna 2.0 1.00 0.05 3.18 4.4 0.03-0.08 P, M, K 9.525
%
80058792 ATG 32R110T20-R005 AP301U Desna 2.0 1.10 0.05 3.18 4.4 0.03-0.08 P, M, K 9.525
%
80058793 ATG 32R120T20-R005 AP301U Desna 2.0 1.20 0.05 3.18 4.4 0.03-0.08 P, M, K 9.525
%
80058794 ATG 32R125T20-R020 AP301U Desna 2.0 1.25 0.20 3.18 4.4 0.04-0.09 P, M, K 9.525
%
80058795 ATG 32R130T20-R020 AP301U Desna 2.0 1.30 0.20 3.18 4.4 0.04-0.09 P, M, K 9.525
%
80058796 ATG 32R140T25-R020 AP301U Desna 2.5 1.40 0.20 3.18 4.4 0.04-0.09 P, M, K 9.525
Zadnji ogledani izdelki
Šifra izdelka: 9000470004

OMELO ROČNO S SMETIŠNICO v garnituri