Merilna ura precizna 2313

Skupna šifra: 2313
Želite sočasno naročiti več izdelkov? Pojdi na hiter vnos
Prijavite se za prikaz cen in zalog.

Vas zanimajo pogoji dostave?

Podrobnosti o izdelku
Specifikacije
Dokumentacija
Pišite nam za dodatne informacije

Precizna merilna ura Insize 2313

Merilna ura Insize 2313 je visoko natančen analogni merilni instrument, zasnovan za merjenje mikroskopskih pomikov, toleranc in odstopanj v zahtevnih proizvodnih in kontrolnih postopkih. Namenjena je za uporabo v orodjarnah, merilnicah in fine mehanike, kjer je ključna maksimalna natančnost.

- Precizna izvedba za fino merjenje
- Jasna, visoko kontrastna številčnica za enostavno odčitavanje
- Minimalna toleranca in visoka ponovljivost
- Združljiva z merilnimi stojali, primerjalnimi pripravami in CNC kontrolami
- Primerno za laboratorijsko in industrijsko rabo

Merilna ura Insize 2313 je odlična izbira za uporabnike, ki potrebujejo izjemno zanesljivo, natančno in robustno analogno merilno orodje za vsakodnevno uporabo v preciznem okolju.

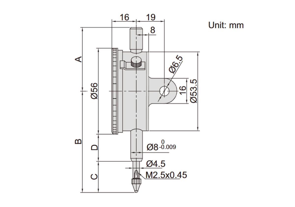
Specifikacije
Lastnost Vrednost
Akcija DA
a_mm 45
b_mm 62.5
c_mm 19.5
d_mm 15
Hrbet ravni
Obseg_mm 1, 2
Odcitavanje_mm 0-100-0
Razpon_obrat_mm 0.2
A mm 45
B mm 62.5
C mm 19.5
D mm 15
Natancnost_µm 5, 6
Razpon/obrat mm 0.2
Natančnost qm 5, 6

Tehnični listi

2313.pdf

Izberite različico

Obseg mm:
Natančnost qm:
Slika Šifra Naziv Obseg mm Natančnost qm
%
2313-1A URA MERILNA-PRECIZNA 1/0,001mm INSIZE 1 5
%
2313-1FA URA MERILNA-PRECIZNA 1/0,001mm INSIZE 2 6
Zadnji ogledani izdelki
Šifra izdelka: BOARP125X3ME

PLOŠČA REZALNA 125X3MM ZA ŽELEZO

Šifra izdelka: 576600

Kladivo plastično ploščato 576600 Slika za proizvajalca HALDER

Šifra izdelka: 4000810900

Cable shears

Šifra izdelka: 615042

ŠKARJE ZA PLOČEVINO, ZA LUKNJE 280