List odrezilni AKL-K

Skupna šifra: AKL-K
Želite sočasno naročiti več izdelkov? Pojdi na hiter vnos
Prijavite se za prikaz cen in zalog.

Vas zanimajo pogoji dostave?

Podrobnosti o izdelku
Specifikacije
Dokumentacija
Pišite nam za dodatne informacije

Odrezilni list AKL-K 

Zanesljiva rešitev za precizno in stabilno odrezovanje kovin

Odrezilni list AKL-K je primeren za natančno struženje in ločevanje materialov v serijski ali posamezni obdelavi. Držalo AKL-K omogoča varno vpetje, ploščice pa zagotavljajo čiste reze, odlično odvajanje odrezkov in dolgo življenjsko dobo tudi pri višjih obremenitvah.

Lastnosti:
- Stabilen odrezilni list AKL-K (širina 32 mm)
- Možna uporaba z odrežilnimi ploščicami MGMN (širina 2 mm ali 3 mm)
- Za CNC in klasične stružnice
- Odlična stabilnost pri prerezu materiala
- Hitra menjava ploščic brez dodatnega nastavljanja
- Za učinkovito in natančno ločevanje kovinskih materialov

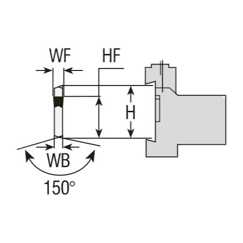
Specifikacije
Lastnost Vrednost
WF 2, 3
Izvedba R
HF 25
CUTDIA 32, 42
I 150
WB2 2,4, 0
H 32
Primerna ploščica MGM. - 2, MGM. - 3
Oznaka AKL-K-32-2, AKL-K-32-3

Izberite različico

Oznaka:
WF:
CUTDIA:
WB2:
Primerna ploščica:
Slika Šifra Naziv Oznaka WF CUTDIA WB2 Primerna ploščica
M.03.04.07.02 LIST ODREZILNI AKL-K-32-3 ( MGM.-3 ) AKL-K-32-3 3 42 0 MGM. - 3
M.03.04.07.03 LIST ODREZILNI AKL-K-32-2 AKL-K-32-2 2 32 2,4 MGM. - 2
Zadnji ogledani izdelki
Šifra izdelka: 4000901276

SVETILKA ROČNA POLNILNA LED, P7 CORE, LEDLENSAR

Šifra izdelka: RDHW_HR2

Rezkalne ploščice RDHW HR2

Šifra izdelka: 602258840

BATERIJSKA SABLJASTA ŽAGA SSEP 18 LTX BL MVT

Šifra izdelka: 494-10

TEGERA 494 Slika za proizvajalca TEGERA®

Šifra izdelka: 603625000

BRUSILKA KOTNA WEV 11-125 QUICK METABO

Šifra izdelka: 4000867525

SVEDERI NAV.ROČNI V GAR. M3-M12 HSS (1gar.=15kos)